場效應管概述
場效應管,主要有兩種類型:結型場效應管(junction FET—JFET)和金屬 - 氧化物半導體場效應管(metal-oxide semiconductor FET,簡稱MOS-FET)。由多數載流子參與導電,也稱為單極型晶體管。它屬于電壓控制型半導體器件。

具有輸入電阻高(107~1015Ω)、噪聲小、功耗低、動態范圍大、易于集成、沒有二次擊穿現象、安全工作區域寬等優點,現已成為雙極型晶體管和功率晶體管的強大競爭者。
場效應管(FET)是利用控制輸入回路的電場效應來控制輸出回路電流的一種半導體器件,并以此命名。
場效應管有什么用途
場效應管有什么用途
場效應管有什么用途,下文會從5個方面來講:
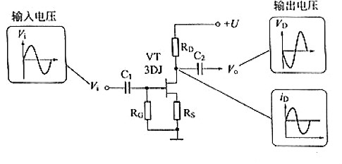
1、場效應管可應用于放大
場效應管具有放大作用。如圖2所示為mos場效應管放大器,輸入信號Ui經CI耦合至場效應管VT的柵極,與原來的柵極負偏壓相疊加,使其漏極電流I1,相應變化,并在負載電阻RD上產生壓降,經C2隔離直流后輸山,在輸出端即得到放大了的信號電壓UO。In與Ui同相,UO與Ui反相。由于場效應管放大器的輸入阻抗很高,因此耦合電容可以容量較小,不必使用電解電容器。

圖2 場效應管放大電路
2、恒流
場效應管可以方便地構成恒流源,電路如圖4所示。恒流原理足如果通過場效應管的漏極電流ID因故增大,源極電阻Rs上形成的負柵壓也隨之增大,迫使ID回落,反之亦然,使ID保持恒定。恒定電流Il

式中UP為場效應管夾斷電壓。

場效應管恒流電路
3、阻抗變換
場效應管很高的輸入阻抗非常適合作阻抗變換。如圖5所示為場效應管源極輸出器,電路結構與晶體三極管射極跟隨器類似,但由于場效應管是電壓控制型器件,輸入阻抗極高,因此場效應管源極輸出器具有更高的輸入阻抗Zi和較低的輸出阻抗Zo,常用于多級放大器的高阻抗輸入級作阻抗變換。

圖5 場效應管源極輸出器
4、可變電阻
場效應管可以用作可變電阻。如圖6所示為自動電平控制電路,當輸入信號Ui增大導致u。增大時,由Uo經二極管VD負向整流后形成的柵極偏壓一UG的絕對值也增大,使場效應管VT的等效電阻增大,Ri與其的分壓比減小,使進入放大器的信號電壓減小,最終使Uo保持基本不變。

圖6 場效應管用作可變電阻
5、電子開關
場效應管可以崩作電子開關。如圖7所示為直流信號調制電路,場效應管VT1、VT2工作于開關狀態,其柵極分別接人頻率相同、相位相反的方波電壓。當VT1導通VT2截止時,Ui向C充電;當VT1截止VT2導通時,c放電;其輸出Uo。便是與輸入直流電壓ui相關的交變電壓。

圖7 直流信號調制電路
常用場效應管有什么用途及特點

場效應管應用領域
場效應管(fet)是電場效應控制電流大小的單極型半導體器件。在其輸入端基本不取電流或電流極小,具有輸入阻抗高、噪聲低、熱穩定性好、制造工藝簡單等特點,在大規模和超大規模集成電路中被應用。
場效應器件憑借其低功耗、性能穩定、抗輻射能力強等優勢,在集成電路中已經有逐漸取代三極管的趨勢。但它還是非常嬌貴的,雖然多數已經內置了保護二極管,但稍不注意,也會損壞。所以在應用中還是小心為妙。
烜芯微專業制造二極管,三極管,MOS管,橋堆等20年,工廠直銷省20%,1500家電路電器生產企業選用,專業的工程師幫您穩定好每一批產品,如果您有遇到什么需要幫助解決的,可以點擊右邊的工程師,或者點擊銷售經理給您精準的報價以及產品介紹
烜芯微專業制造二極管,三極管,MOS管,橋堆等20年,工廠直銷省20%,1500家電路電器生產企業選用,專業的工程師幫您穩定好每一批產品,如果您有遇到什么需要幫助解決的,可以點擊右邊的工程師,或者點擊銷售經理給您精準的報價以及產品介紹

