在工業控制以及汽車驅動等領域中,為了使電路系統具有更高的轉換效率,工程師們往往需要選擇恰當的DC-DC變換器來進行輔助設計。此前我們也曾經為各位工程師們分享過幾種雙向型的DC-DC變換器設計方案,并獲得了良好的反響。在今明兩天的方案分享中,我們將會為大家分享一種雙驅動推挽DC-DC變換器設計方案,今天我們將會著重就其設計原理進行簡要分析。
主電路設計原理
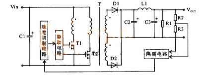
在本方案中,我們所設計的這種450W雙驅動推挽式DC-DC變換器是一種直流變換開關電源,其輸入電壓為直流27V,電源輸出分別為直流±20V10A和5V10A三種不同的類型。其中電源的輸入與輸出隔離,且輸出電源的±20V和5V不共地。這樣的設計能夠有效防止共地帶來的干擾,因此這也就使得這一DC-DC變換器在工作應用過程中具有輸出穩壓精度高和紋波小等優點。
在這一雙驅動推挽式DC-DC變換器的主電路設計中,我們選擇采用雙驅動推挽結構。在輸入電壓較低時,推挽電路比半橋或全橋電路優越,因為任何時候最多只有一個開關管工作,在輸出功率相同時,開關損耗較小。低壓雙驅動推挽變換器電路原理圖如圖1所示。


圖1 雙驅動推挽式DC-DC變換器電路原理圖
在圖1所示的雙驅動推挽式DC-DC變換器電路原理圖中,我們可以看到,由于驅動電路控制,使得兩個功率場效應管T1、T2交替導通,且二者之間有一個死區時間,即兩個場效應管都關斷的階段,在此期間電感L1保持電流續流回路。對于電流連續方式,輸出電壓由下式決定:


在該公式中,參數VS是輸入電壓,參數ton是T1或T2的導通時間,參數toff是其關斷時間,參數NS和NP分別是變壓器付方和原方匝數。
脈寬調制電路設計及仿真
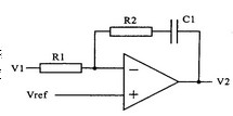
在這一雙驅動推挽式DC-DC變換器方案設計中,我們所設計的PWM脈寬調制器采用SG1525作為脈寬控制器,非常適合于驅動功率場效應管。校正補償環節采用PI調節器,輸出濾波電路采用π型濾波。PI校正補償電路如圖2所示,其傳遞函數可以計算為:


在上式計算的基礎上,我們使用MATLAB6.5軟件對5V10A的電源進行仿真,其仿真原理圖如圖3所示,輸出電壓波形曲線如圖4所示。


圖2 PI校正補償電路


圖3 電路原理仿真


圖4 輸出電壓波形仿真
可以看到,在使用MATLAB6.5軟件對這一雙驅動推挽式DC-DC變換器主電路進行仿真后,仿真結果與公式計算結果是基本吻合的。我們將會繼續就這一DC-DC變換器的驅動電路設計情況和測試結果,進行簡要分析,歡迎大家繼續跟進。
烜芯微專業制造二極管,三極管,MOS管,橋堆等20年,工廠直銷省20%,4000家電路電器生產企業選用,專業的工程師幫您穩定好每一批產品,如果您有遇到什么需要幫助解決的,可以點擊右邊的工程師,或者點擊銷售經理給您精準的報價以及產品介紹
烜芯微專業制造二極管,三極管,MOS管,橋堆等20年,工廠直銷省20%,4000家電路電器生產企業選用,專業的工程師幫您穩定好每一批產品,如果您有遇到什么需要幫助解決的,可以點擊右邊的工程師,或者點擊銷售經理給您精準的報價以及產品介紹

